Muskie Discussion Forums
   
  | ||
| Moderators: Slamr | View previous thread :: View next thread | 
| Jump to page : 1  Now viewing page 1 [30 messages per page] Muskie Fishing -> Muskie Boats and Motors -> What is the propper way to run batteries parallel  |      | 
| Message Subject: What is the propper way to run batteries parallel | |||
| ghitierman | 
  | ||
Posts: 284  | I drew one idea by hand and another with the computer do you like the first or second way better? Attachments ----------------   Picture2.gif (1KB - 266 downloads)  Picture3.gif (15KB - 212 downloads) | ||
| h2os2t | 
  | ||
Posts: 941 Location: Freedom, WI  | first way, simple and easy | ||
| ESOX Maniac | 
  | ||
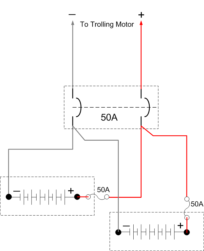
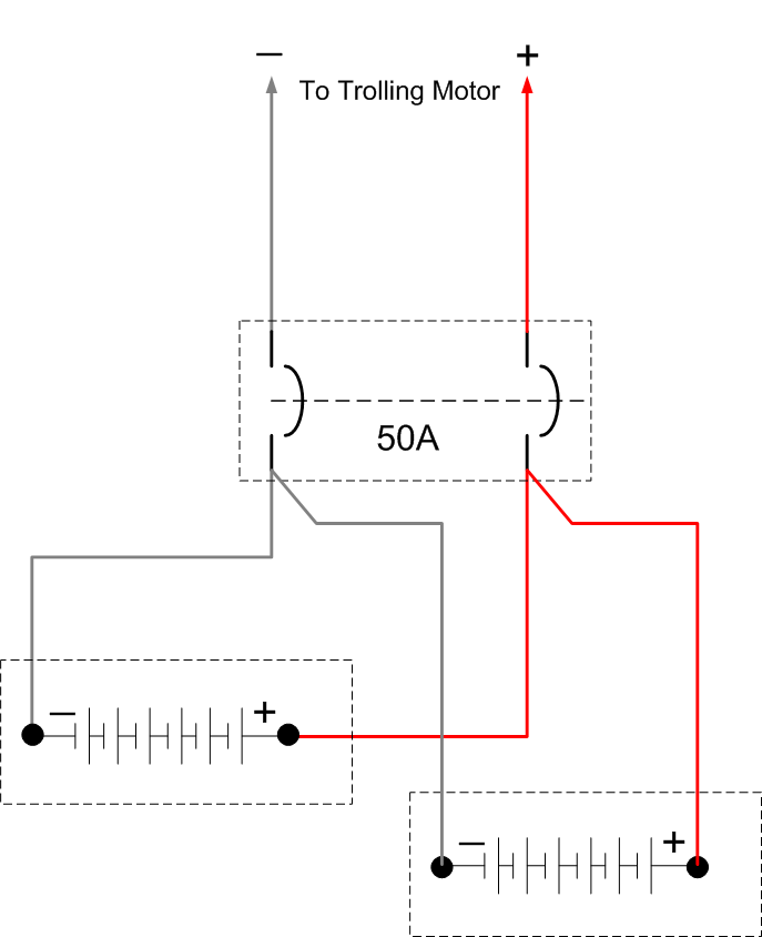
Posts: 2754 Location: Mauston, Wisconsin  | Hi, I'd agree that drawing 1 is simpler. However, it doesn't show any circuit breaker or fuse protection..... very important for both your personal safety and fire protection.   I've redrawn your first drawing using a 50A circuit breaker. This method offers complete protection for all of the cables. See drawing1 below. It's also the least expensive to implement. In drawing2 below, I redrew your second drawing and inserted a 50A CB where you had your terminal block. This will work and the cables between the CB and trolling motor are protected. . However the cables between the CB and the batteries are not protected. Therefore drawing3 shows fuses added at the positive battery terminals to protect the battery cables, if the battery cables are very long. No! I wouldn't just use fuses and replace the CB with a terminal block, i.e., you would have 100A applied to the trolling motor battery cables (50A from each battery). I used 50A as that is most common for trolling motors- check you user/installation manual, or the ampere rating marked on the motor itself. Again my personal recommendation would be my drawing1. If the distance between the batteries and the CB are longer than a couple of feet, you might want to add fuses at the battery terminals, i.e., same as drawing3. See drawing4. Good luck. Al Edited by ESOX Maniac 4/27/2008 11:12 AM Attachments ----------------   Drawing1.gif (12KB - 209 downloads)  Drawing2.gif (14KB - 215 downloads)  Drawing3.gif (16KB - 217 downloads)  Drawing4.gif (14KB - 237 downloads) | ||
| Muskie4life | 
  | ||
| Al,   I have a couple questions for you. I am in the process of rewiring my batteries and adding a 3 bank charger. I have 2 trolling batteries and a cranking one. 1. Is drawing one a set up for a 12 volt trolling motor? That is what I have. 2. What type of circuit breaker do you use for this type of set up? 3. Is picture 4 the same as 1 but with fuses on the positive line between batteries? This would seem to be the safest and best set up, is that fair. Any advice would be great. Thanks M4L  | |||
| ESOX Maniac | 
  | ||
Posts: 2754 Location: Mauston, Wisconsin  | M4L-  1. Yes it's 12V, all the drawings are 12V. 2. It's a marine type, push button circuit interrupter. Most marinia's have them available. Also use marine grade cables. 3. Yes, drawing 4 is the safest, much depends on the length & routing of the battery to CB cables. However, either drawing 3, or drawing 4 are equvalent from a safety perspective. I would also follow the cabling diagrams for the 3 bank charger. You might want to add a A-> B-> Both-> Off switch so you can separate the trolling motor batteries for charging. Again your local marina can supply them. If not, try Boaters World. Al Edited by ESOX Maniac 4/27/2008 11:23 AM  | ||
| ghitierman | 
  | ||
Posts: 284  | Thanks for the help.  I am kinda confused on the fuse befor the circuit breaker in drawing four, and also why I would want a circuit breaker betewen the batteries in the first place.  I do understand that the circuit breaker is a good idea befor the trolling motor but there isn't one there now. (on one battery) The Minnkota trolling motor I have already has an inline fuse on the possative wire.  What type of fuses/circuit breakers are you showing in your drawing four?  Got a link? Edited by ghitierman 4/27/2008 11:52 AM  | ||
| ghitierman | 
  | ||
Posts: 284  | Also when I charge this system do I put the charger on the same way as I hook up the trolling motor? Possative on one battery negative on the other? Oh yeah that is the whole reason I did the terminal block so that I could just hook up the battery charger (not an onboard) to the block, and also the trolling motor. My two batteries are also about six feet apart does this matter? | ||
| Smokin Joe | 
  | ||
Posts: 311  | The circuit breaker or fuse should be between the battery(power) and the trolling motor.  In your 4th drawing Al, which you say is the safest, you have the breaker between 2 batteries, which offers protection from 1 battery but not the other.  If the breaker trips you still have power from one battery to the trolling motor.  It should be between the batteries and the trolling motor. Edited by Smokin Joe 4/27/2008 2:21 PM  | ||
| ESOX Maniac | 
  | ||
Posts: 2754 Location: Mauston, Wisconsin  | Joe- Because of the circuit cabling in the diagram, if the breaker trips it provides protection from both current sources (battery's), i.e., current flows in a loop. It's not like water from a faucet.  All possible current paths are protected at 50A.   Here's the circuit in fault condition! Drawing5. Because the CB is common trip- both paths open simaltaneously. Al Attachments ----------------   Drawing5.gif (14KB - 202 downloads) | ||
| Ranger | 
  | ||
Posts: 3913  | Exactly the info I need at the moment, thanks, Al. | ||
| BOB VILA | 
  | ||
| ALSO LOOK INTO THE POWER RATING FOR YOUR TROLLING MOTOR. DIVIDE THE POWER IN WATTS BY 12VDC. MULTIPLY YOUR ANSWER BY 2.5 ... CIRCUIT BREAKERS RATED FOR THE EXACT CURRENT VALUE CAN TRIP DURING THE FIRST FEW MOMENTS OF POWERUP...THIS IS CALLED INRUSH CURRENT. FOR INSTANCE IF YOU HAVE 6 AMPS OF CURRENT YOU WOULD USE A 15 AMP BREAKER. HOPE THIS HELPS | |||
| Jump to page : 1  Now viewing page 1 [30 messages per page]  |      | 
| Search this forum Printer friendly version E-mail a link to this thread  | 


Copyright © 2025 OutdoorsFIRST Media | 
	

